? 功率放大器基于壓電陶瓷驅動器單神經元自適應中的應用
實驗名稱:功率放大器基于Hebb學習規則的壓電陶瓷驅動器單神經元自適應磁滯補償
研究方向:微納定位
實驗內容:壓電陶瓷驅動器存在遲滯非線性,極大降低了其運動精度,由于其遲滯存在時變與非對稱特征,增大了遲滯建模與補償的難度。本實驗使用單神經元自適應控制方法,對壓電陶瓷驅動器的遲滯非線性進行在線補償,從而提高壓電陶瓷驅動器的軌跡跟蹤性能。
測試目的:驗證遲滯補償算法的性能。
測試設備:dSPACE實時采集模塊,動態橋式應變儀、高壓功率放大器ATA-4052
實驗過程:硬件連接與軟件運行界面
被測對象為Thorlabs公司生產的PZS001型壓電陶瓷驅動器,在最大100V的驅動電壓下,其最大位移為12.925μm。使用ATA-4052形放大器將控制壓電放大為壓電陶瓷驅動器的驅動電壓。壓電陶瓷驅動器上自帶4個電阻應變片,組成一個4橋的電阻應變片。使用北戴河實用電子技術研究所生產的SDY2105型電橋放大器測量壓電陶瓷驅動器的變形量。測試系統的硬件連接圖如下所示:
測試程序在Matlab/Simulink下編寫,通過dSPACE公司生產的Microlabbox型實時控制器運行測試程序。測試流程如下:首先在控制程序中生成0-10V的正弦信號,經過放大器放大之后驅動壓電陶瓷驅動前前后運動,利用Microlabbox完成控制信號與位移信號的實時測量,并根據壓電陶瓷的特性,編寫單神經元自適應補償算法,利用設備完成算法的性能測試。
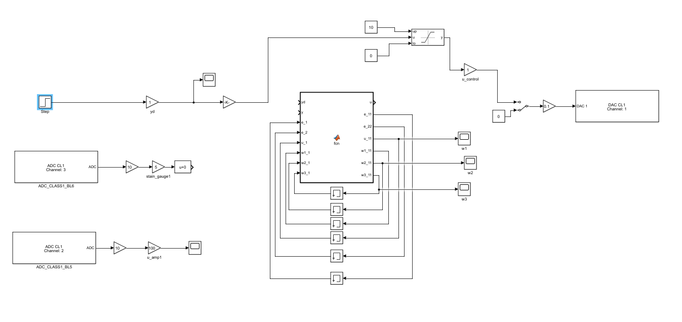
測試程序的Simulink代碼如下圖所示:

測試結果:
分別測試了控制算法在跟蹤正弦軌跡與三角軌跡的效果,對于正弦軌跡,單神經元自適應補償算法可以有效地消除遲滯非線性的影響,相對于傳統的PID控制,單神經元自適應補償算法具有更高的適應性和魯棒性,對于50Hz以內的正弦軌跡,均能很好地消除遲滯非線性。對于三角軌跡,單神經元自適應補償算法同樣能夠取得類似的效果。實驗結果如下圖所示:

放大器在該實驗中發揮的效能:
控制信號是弱電,其電壓范圍為0-10V,不足以驅動壓電陶瓷驅動器。利用高壓功率放大器將控制信號放大,生成驅動電壓,從而驅動壓電陶瓷。
本文實驗素材由西安安泰電子整理發布,如想了解更多實驗方案,請持續關注安泰官網www.qq1e.cn。西安安泰電子是專業從事功率放大器、高壓放大器、功率信號源、前置微小信號放大器、高精度電壓源、高精度電流源、功率放大器模塊等電子測量儀器研發、生產和銷售的高科技企業。


























