ATA-5620前置微小信號放大器在生物醫學信號方面的應用案例
生物醫學信號的振幅微小,頻率范圍較低,容易受外界干擾而積累大量環境噪聲。為了提高測量的精準度,設計了一款高性能前置放大器來有效提取生物電信號。前置放大器采用的是基于儀表放大器級聯可變增益放大器架構,該架構可以實現對信號的1000倍放大,并能達到良好的性能指標,適用于生物醫學信號采集方面的應用。
ATA-5620前置微小信號放大器是用于極微小信號檢測的前置放大器,采用超低噪聲的電源供電,電壓增益60dB。前置微小信號放大器在醫療電子設備對生物醫學信號實現有效的采集、分析和處理,監控人體的健康狀況從而采取及時的醫治,所以研究生物醫學信號的特性以及如何有效提取生物醫學信號,對于提升醫療系統的精確性和全民健康工程有著積極作用。

ATA-5620前置放大器有效減少了放大器中電容所占的面積,但與傳統電路相比,噪聲較大,在增益和輸人噪聲等方面有良好的表現。
帶寬:帶寬(-3dB)1kHz~100MHz
電壓:最大輸出電壓2Vp-p
增益倍數:電壓增益60dB
超低噪聲電源
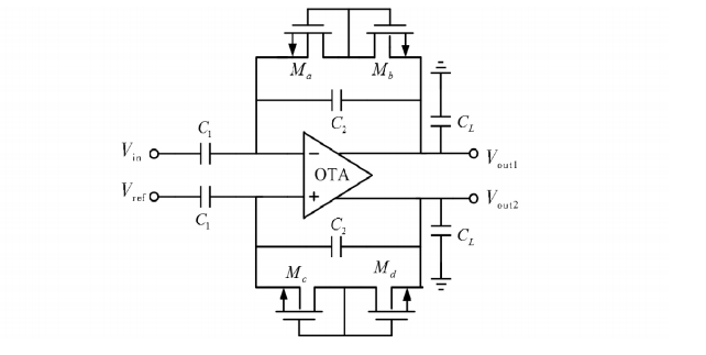
前置放大器選用全差分“交流耦合-電容反饋式”閉環放大器,如圖所示,它具有穩定的閉環增益,電容反饋放大器自身的交流耦合結構解決了直流漂移的問題。由于采用全差分電路,提高了電源抑制比和共模抑制比,從而降低了電源噪聲和共模噪聲的干擾。

西安安泰電子科技有限公司(Aigtek),是國內領先從事電子測量儀器研發的高科技公司。專注于功率放大器、功率信號源、計量校準源等產品的研發,打破了西方的技術壟斷和封鎖,產品廣泛服務于國防、航空、航天及芯片研究領域,服務全球超過1000家科研機構,助力全球科技進步。如想了解更多實驗方案,請持續關注安泰官網www.qq1e.cn。
原文鏈接:http://www.qq1e.cn/news/611.html


























