功率放大器電路圖集(多種類功率放大電路)
關于功率放大器電路圖集的問題是很多工程師都感興趣和想了解的,今天就請安泰電子來為大家介紹一下多種類功率放大電路的內容。
一、功率放大電路介紹
1、一般情況來說功率放大電路的主要作用是讓負載在不使信號失真或輕微失真的情況下獲得最大功率。因此,在設計和制造電路時應考慮以下問題:
①功率放大器一般處于多級放大器的末級,集成功放或集成運放的輸出級,所推動的負載比較重,如揚聲器、電機、大功率線圈等,所以工作的電壓和電流都比較大。
②功放管工作在大信號(高壓、大電流)狀態,而工作電壓和電流都接近功放管的限制參數(ICM、UBR(CEO)、RCM),所以必須考慮散熱、失真、過壓和過流保護等的問題。
③輸出功率是指功放輸出的電壓與電流的乘積,即交流輸出功率。由于輸出功率很大,所以,電路中消耗的能量也高,電源必須提供更多的能量。總的來說,功率放大器要獲得盡可能高的輸出功率、盡可能高的效率和盡可能低的非線性失真,前提是能夠安全地使用晶體管和場效應管。
2、恒量功率放大器的主要技術指標和測量方法。
第一類指標:輸入幅值固定,頻率固定時的性能。
①電壓放大倍數和放大倍數的調節范圍;
②輸入電阻Ri,輸出電阻Ro;
第二類指標:輸入信號頻率不變而幅值改變的性能;
③最大不失真輸出幅值和最大不失真輸出功率。
④電源消耗的功率PDC;
⑤功率放大器的效率;
第三類指標:輸入幅值不變,而輸入信號頻率發生變化的性能。
⑥功率放大器的通頻帶fBW;
二、甲類ATA-3000系列功率放大器
小信號放大器,在輸入信號的周內都會產生靜態電流,此類工作方式的可以稱之為甲類功放。
1、阻容耦合甲類放大器電路

圖:阻容耦合甲類放大器電路圖
甲類功率放大器電源提供的能量大多消耗在電阻和管子,所以效率低。
2、變壓器耦合單管甲類功放電路

圖:變壓器耦合單管甲類功放電路圖
甲類功率放大器中,能夠知道靜態電路是引起管耗的主要原因,想要提高效率就要減少靜態電流。
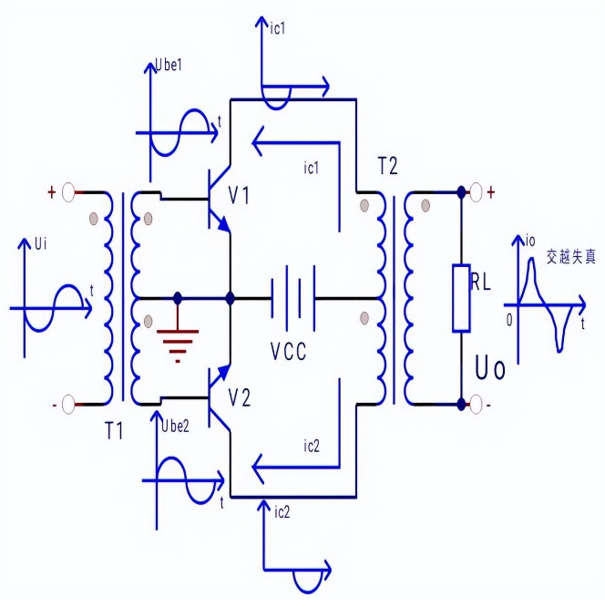
三、推挽功率放大器
甲類功率放大器靜態電流大,效率低,采用靜態的時候,集電極電流為0的乙類功率放大器能夠提高效率,但是為了獲得完整波形,必須要采用兩管輪流輸出,就是乙類推挽功率放大器。

圖:乙類推挽功率放大器電路圖
乙類推挽功率放大器靜態電流非常小,因此效率非常高效。
雖然理論上已經證明乙類推挽功率放大器的理想最大效率遠高于甲類,但是乙類推挽功率放大器,因為基極無加靜態偏置,輸出在正負半周交界處會有交越失真。
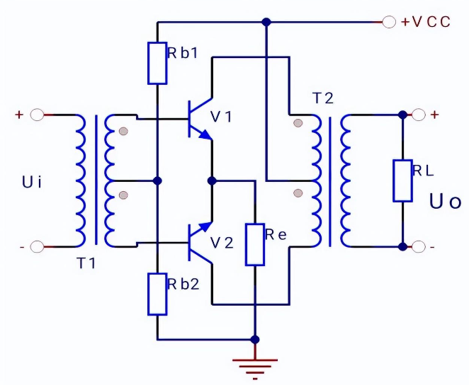
四、甲,乙類推挽功率放大器

圖:甲,乙類推挽功率放大器電路圖
五、互補對稱無變壓器輸出(OTL)功放電路

圖:互補對稱無變壓器輸出(OTL)功放電路圖
變壓器耦合乙類,甲乙類推挽功率放大器已解決了甲類功放效率低的問題,且可實現阻抗變換,缺點是體積龐大,笨重,消耗有色金屬,低頻,高頻特性都比較差。無變壓器輸出功放電路(OTL)用一個大電容代替變壓器,用NPN,PNP對管。
六、無電容輸出(OCL)功放電路

圖:無電容輸出(OCL)功放電路圖
OTL去掉了變壓器,具有失真小,是功放高保真擴音機常用的電路,但OTL輸出用大容量電容,存在漏阻和電感效應,對不同頻率信號會產生不同相移,輸出信號有附加失真,為消除這一缺點,出現了無電容輸出功放電路OCL。
七、橋式推挽功率放大器(BTL)電路

圖:橋式推挽功率放大器(BTL)電路圖
在OCL中采用了雙電源供電,所以為了實現單電源供電,且不用變壓器和大電容,最終解決方案是橋式推挽功率放大器(BTL)電路。
安泰功率放大器推薦:

圖:ATA-2082功率放大器指標參數
以上就是功率放大器電路圖集的內容,整理了多種類的功率放大電路圖,如果您對于功率放大器還有什么疑問,隨時可以咨詢安泰電子。西安安泰電子是專業從事功率放大器、高壓放大器、功率信號源、前置微小信號放大器、高精度電壓源、高精度電流源等電子測量儀器研發、生產和銷售的高科技企業。公司致力于功率放大器、功率信號源、計量校準源等產品為核心的相關行業測試解決方案的研究,為用戶提供具有競爭力的測試方案,Aigtek已經成為在業界擁有廣泛產品線,且具有相當規模的儀器設備供應商,樣機都支持免費試用。如想了解更多功率放大器等產品,請持續關注安泰電子官網www.qq1e.cn或撥打029-88865020。


























